It is currently 03 Feb 2026, 04:10

Boat Engines etc - Maintenance and Repair

Winter maintenance

by shibbs » 21 Dec 2015, 21:54

Thought i'd give an update for anyone interested. Leg came off on Friday morning, i couldn't believe how easy it was (especially compared to a Volvo 280 leg). anyway, i was expected to see a pretty sorry state of a Gimbol bearing and bellows with water in etc, but, i was pleasantly surprised to find that the bearing was literally, as good as new, perfectly greased still and no water inside the bellows at all. So, it made me think, do they all actually require renewing?
When i got the boat, 18 months ago, she was all fully serviced, but having had a full season and a half of use, ( and a slight whine on full lock) i thought whilst it was out i'd do for peace of mind. Maybe its not correctly aligned?
I think now my plan is to remove as expected, fully inspect and go from there, give the bearing a good clean, see if i can feel any wear, if not, re-pack and re-install..
If nothing else i can make the most of having the leg off to antifoul it all properly (The barnacles get everywhere! :x )..
Image
Stu

Princess 286 Riviera
Twin Volvo Penta AD41’s
User avatar
shibbs
Lieutenant
Lieutenant
 
Posts: 912
Joined: 25 Nov 2014, 20:28
Location: Hampshire

by betty boop » 22 Dec 2015, 09:04

if thats a Gen2 Alpha drive in case you're not aware don't forget the mini washer around the gear fluid transfer nozzle (excuse the wrong terminology) I can't see it on your photo. its not part of the reseal kit as I have argued many times with keypart - its the same seal ring thats between the upper & lower leg on changing the impeller .
betty boop
RNLI Hero
RNLI Hero
 
Posts: 771
Joined: 25 Nov 2014, 10:15

by mlines » 23 Dec 2015, 12:22

Our trailer stored bayliner had the gimbal bearing changed in 2014. I think this was the first change since it was bought new in 2006. Even when it was changed it was in excellent condition , I assumed this is because of the out of water storage and that it was of the greasable type.

Sent from my Nexus 5 using Tapatalk
Regal 2250 - "Witch Way" - MMSI:235073628
My Regal 2250
User avatar
mlines
Sub Lieutenant
Sub Lieutenant
 
Posts: 625
Joined: 25 Nov 2014, 17:54
Location: Wokingham, Berkshire

by Ianfs » 24 Dec 2015, 01:38

if thats a Gen2 Alpha drive in case you're not aware don't forget the mini washer around the gear fluid transfer nozzle (excuse the wrong terminology) I can't see it on your photo


It looks like it could be either, they are similar. However the seal you are talking about ,as you said Ian, is in the leg. Therefore not in the picture. :mrgreen:

I'm sure though the Quicksilver Seal pack comes with it.


When i got the boat, 18 months ago, she was all fully serviced, but having had a full season and a half of use, ( and a slight whine on full lock) i thought whilst it was out i'd do for peace of mind. Maybe its not correctly aligned?


If its only a slight whine, I would say that's normal, if the Gimbal bearing is faulty then you would hear a grumbling noise on full lock.

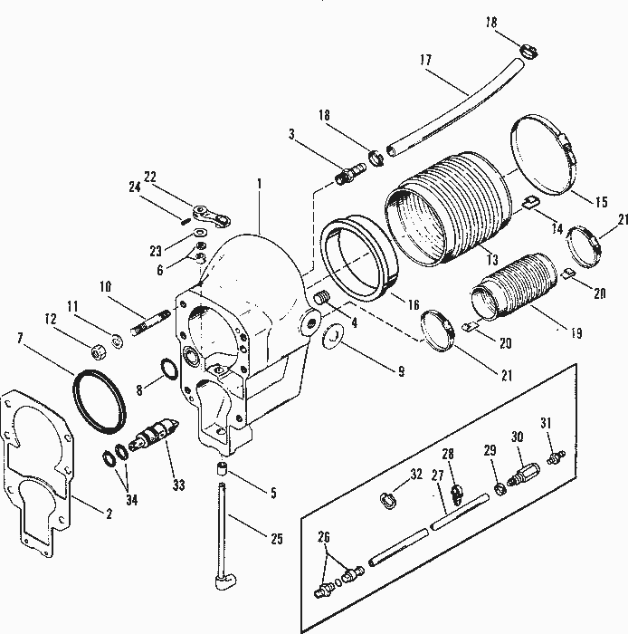
One further tip when putting it all back together again, first of all tidy up the facings for the gasket and secondly there is a thin part of the Bell Housing (see pictures below) which is only about 3mm wide at the gear cable/selector cavity. When tightening make sure the gasket doesn't pop out.

Shibbs leg1.jpg
Shibbs leg1.jpg (224.23 KiB) Viewed 16036 times


Also if you have an Alpha One instead of an Alpha One Gen 2, it may not have the latest Shift Shaft Seal, I would therefore recommend you replace the old one with the new style.....see below..

Bell housing with shift shaft installed.jpg
Bell housing with shift shaft installed.jpg (287.16 KiB) Viewed 16036 times
Ianfs
Captain
Captain
 
Posts: 2059
Joined: 24 Nov 2014, 18:40
Location: Hampshire, by the Sea

by betty boop » 24 Dec 2015, 08:54

Ianfs wrote:
if thats a Gen2 Alpha drive in case you're not aware don't forget the mini washer around the gear fluid transfer nozzle (excuse the wrong terminology) I can't see it on your photo


It looks like it could be either, they are similar. However the seal you are talking about ,as you said Ian, is in the leg. Therefore not in the picture. :mrgreen:

I'm sure though the Quicksilver Seal pack comes with it.


Sorry to disagree Ian but the Gen 2 has a little plastic lug about 10mm by 5mm dia protruding between the 2 Starboard side threads. not that its relevant in this post but explains why its not in the generic kit. parts 33/34 if this picture attaches.
Attachments
2010-08-31_003444_Mercruiser_Gen_II_Bell_Housing.png
2010-08-31_003444_Mercruiser_Gen_II_Bell_Housing.png (13.91 KiB) Viewed 16033 times
betty boop
RNLI Hero
RNLI Hero
 
Posts: 771
Joined: 25 Nov 2014, 10:15

by Ianfs » 24 Dec 2015, 11:35

mini washer around the gear fluid transfer nozzle


Sorry Ian, you did say forgive the terminology, I thought you meant the washer for the oil transfer from the gearbox to the upper drive....No6 below. :)
Sterndrive Gear Box001.jpg
Sterndrive Gear Box001.jpg (401.82 KiB) Viewed 16030 times


You meant the O rings for Valve Assembly for the Oil Reservoir. :oops: Are they part of the service then?

mJ6xeTk5gtyfrIssVDEvc1A.jpg
mJ6xeTk5gtyfrIssVDEvc1A.jpg (4.04 KiB) Viewed 16030 times


I think this might therefore answer the question, which one is it? I can't see a hole in the Bell Housing below the top starboard stud where the valve sits unless its all crudded up?

I agree with you, if its part of the service then it should be in the Kit!! :)
Ianfs
Captain
Captain
 
Posts: 2059
Joined: 24 Nov 2014, 18:40
Location: Hampshire, by the Sea

by shibbs » 24 Dec 2015, 16:04

Thanks for all the info.. Mine is a alpha 1, original unit, as in not Gen 2. So hopefully should be fairly straight forward.
Stu

Princess 286 Riviera
Twin Volvo Penta AD41’s
User avatar
shibbs
Lieutenant
Lieutenant
 
Posts: 912
Joined: 25 Nov 2014, 20:28
Location: Hampshire

by betty boop » 24 Dec 2015, 17:07

glad that helped you :lol:
betty boop
RNLI Hero
RNLI Hero
 
Posts: 771
Joined: 25 Nov 2014, 10:15

by BruceK » 24 Dec 2015, 17:47

That O-ring is still present in the Alpha 1 and MR units though
BruceK
 

by shibbs » 15 Jan 2016, 09:28

Does anyone else ever set themselves tasks and never actually get round to doing them?
The leg was off weeks ago and I've not had time to even touch it yet! Very frustrating. Far too cold at the moment to be down working on the boat as well.
Still got a cylinder head to remove to inspect and all the leg work, amongst loads of niff naff jobs before she goes back in.
I know what will happen, the next 3 months will fly by then it will be a mad rush to get it all done before I miss the typical one decent day at the start of the season. :lol:
Really must pull my finger out, anyone else struggling with not enough time? :?
Stu

Princess 286 Riviera
Twin Volvo Penta AD41’s
User avatar
shibbs
Lieutenant
Lieutenant
 
Posts: 912
Joined: 25 Nov 2014, 20:28
Location: Hampshire

PreviousNext

Return to Boat Engines etc - Maintenance and Repair

  • View new posts
  • View unanswered posts
  • Who is online
  • In total there are 42 users online :: 0 registered, 0 hidden and 42 guests (based on users active over the past 5 minutes)
  • Most users ever online was 3650 on 18 Dec 2025, 12:23
  • Users browsing this forum: No registered users and 42 guests

User Menu